微信:
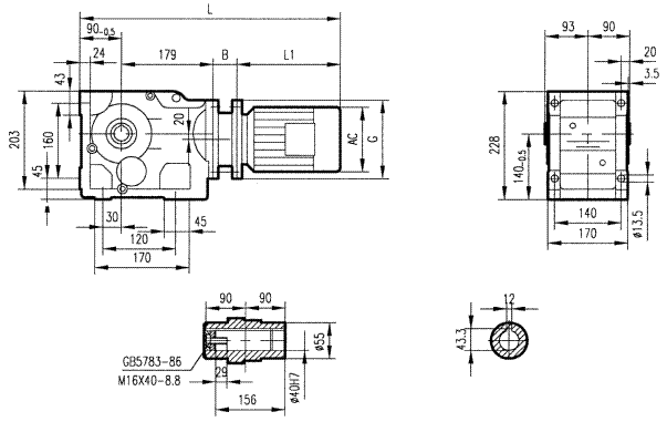
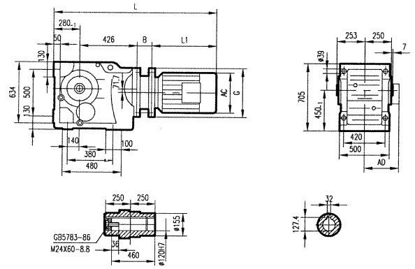
GKA77型斜齒輪弧齒錐齒輪減速電機(jī)安裝結(jié)構(gòu)圖尺寸
GKA87型斜齒輪弧齒錐齒輪減速電機(jī)安裝結(jié)構(gòu)圖尺寸
GKA97型斜齒輪弧齒錐齒輪減速電機(jī)安裝結(jié)構(gòu)圖尺寸
GK107型斜齒輪弧齒錐齒輪減速電機(jī)安裝結(jié)構(gòu)圖尺寸
GKA127型斜齒輪弧齒錐齒輪減速電機(jī)安裝結(jié)構(gòu)圖尺寸
GKA157型斜齒輪弧齒錐齒輪減速電機(jī)安裝結(jié)構(gòu)圖尺寸
GKAB47型斜齒輪弧齒錐齒輪減速電機(jī)安裝結(jié)構(gòu)圖尺寸
GKAB57型斜齒輪弧齒錐齒輪減速電機(jī)安裝結(jié)構(gòu)圖尺寸
GKAB67型斜齒輪弧齒錐齒輪減速電機(jī)安裝結(jié)構(gòu)圖尺寸
太原市安吉富減速機(jī)有限公司
電話:0351-6696589 傳真:0351-5677679 地址:山西省太原市舊晉祠路南堰新萬水物貿(mào)城北外區(qū)2號
減速機(jī) 減速機(jī)超市 Reducer - Gearbox