|
|
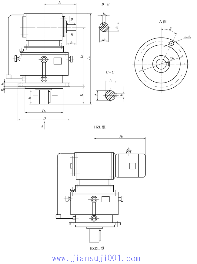
| 當前位置:減速機首頁 >> 產品大全 >> 行星齒輪減速機 >> HZ系列垂直出軸混合少齒差星輪減速器(JB-T7344-1994) >> HZL16、HZDL16、HZL18、HZDL18、HZL20、HZDL20、HZL22、HZDL22、HZL25、HZDL25、HZL28、HZDL28、HZL31、HZDL31、HZL35、HZDL35、HZL40、HZDL40、HZL45、HZDL45、HZL50、HZDL50、HZL56、HZDL56型垂直出軸混合少齒差行星齒輪減速機型式及主要尺寸JB/T7344-1994 |
|
|
||||||||||||||||||||||||||||||||||||||||||||||||||||||||||||||||||||||||||||||||||||||||||||||||||||||||||||||||||||||||||||||||||||||||||||||||||||||||||||||||||||||||||||||||||||||||||||||||||||||||||||||||||||||||||||||||||||||||||||||||||||||||||||||||||||||||||||||||||||||||||||||||||||||||||||||||||||||||||||||||||||||||||||||||||||||||||||||||||||||||||||||||
![]() |
| 關于我們 - 聯(lián)系方式 - 版權聲明 - 本站宗旨 - 網站地圖 - 廣告服務 - 幫助中心 - 設為首頁 - 加入收藏 |
|
全國服務熱線:13552592001
E-mail:jiansuji001@163.com Copyright © 2010-2019 By 減速機信息網 All Rights Reserved. |